
45°英管内螺纹球面 22141-XX-XX

国标公制内螺纹74°内锥面 20711-XX-XX

美制JIC外螺纹74°外锥/SAE外螺纹带O形圈轻系列 ISO 11926-3 90° 弯 1JO9-OG

英管外螺纹60°内锥或六角端面用组合垫密封 / 美制SAE外螺纹O形圈轻系列ISO 11926-3 1BO

公制外螺纹24°锥/ 美制螺纹O形圈密封 1CO-1DO

美制双六角JIC内螺纹74°内锥面 26713D-XX-XX

90°英管内螺纹球面 22191-XX-XX

45°国标公制内螺纹74°内锥面 20741-XX-XX

美制JIC外螺纹74°外锥/焊接管 1JW

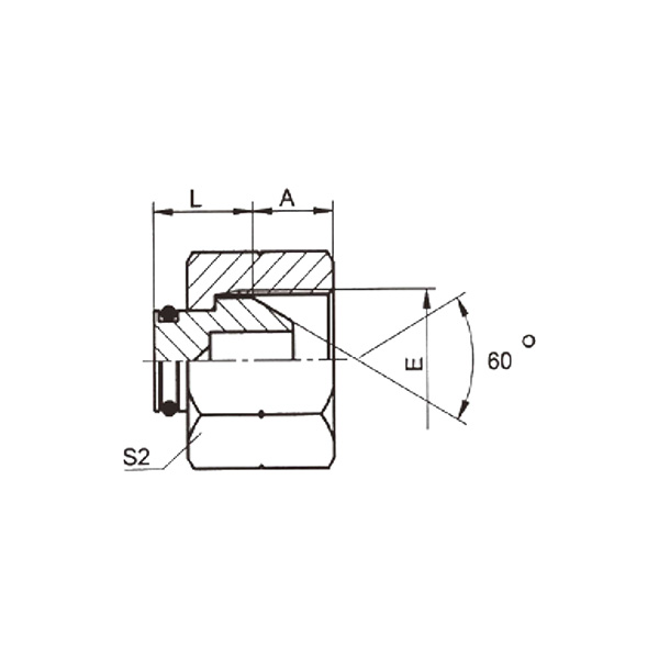
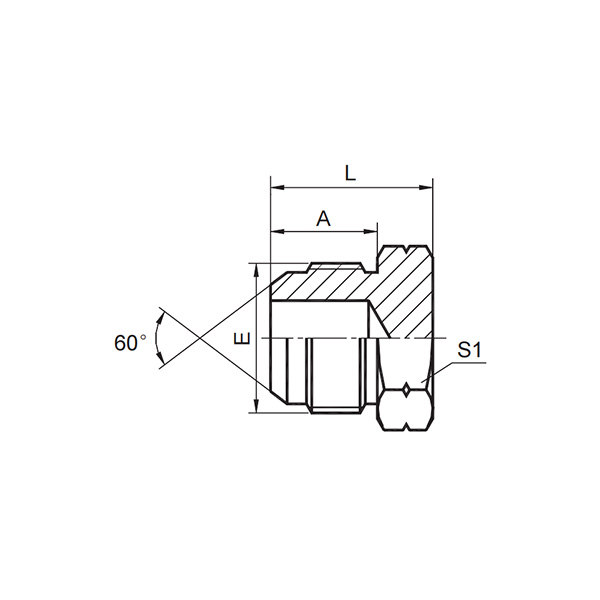
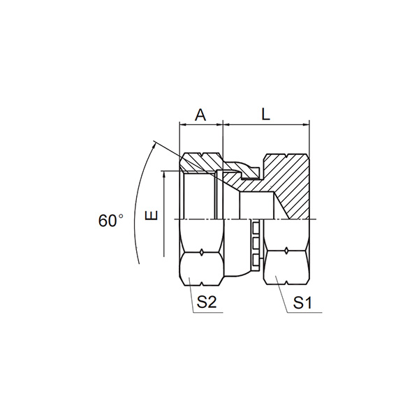
英管外螺纹60°内锥或六角端面用 组合垫密封/英锥管外螺纹 1BT-SP

公制外螺纹24°锥/ 英锥管外螺纹 1CT-1DT

日英制双六角内螺纹60°内锥面 29613-XX-XX







食品行业
蒸汽输送
化工行业
油料输送
船舶海工
平台补给
制药行业
轨道交通
绿色能源
航空航天
工程机械
钢铁冶金
矿业开采
表面处理
高压清洗
建筑行业
自动化软管
机床注塑
汽车产线
风电冷却润滑
晶源半导体
造纸行业
工业气体
汽车新能源
捕渔业
农业机械
林业机械
军事国防
石油开采
EPS成型机
数据中心液冷
盾构隧道
地震勘探